Contents of this page are obsolete. This page is preserved and stored at this URL just from historical viewpoint. Original URL was http://www.mm.media.kyoto-u.ac.jp/members/kameda/...
Please visit www.kameda-lab.org for recent information. (2002/12/06, kameda@ieee.org)

情報工学教室のネットワークインフラ

English 計算機関係の資料と情報亀田能成美濃研玄関 1999/05/21
てきとーに書いていますので、 嘘が見つかったらバシバシ指摘してくださいませ。

何はなくともまず図面を見よう

1999/01/19の9:00ごろからFN-100が故障 (電源部と思われる:電源スイッチ入れてもLEDが全くつかない‥‥)し、 続いて作業中にFN-10-12が機嫌を損ねた(原因不明)ので、 一旦 で中心部を構成しました。それからしばらくして、Cisco2820は元に戻して、 新しく購入した Cisco WS-C2924-XL を導入しました。

KUINSとの接続

情報工学教室(工学部10号館)は1998年4月現在、原則的に一つの LANであるNEW-KUIS-LAN(130.54.20.0/22bit)を利用しています。これは、 100BaseT Ethernet Switch(FN-100)及び10BaseT Ethernet Switch(FN-10-12) を基幹とするネットワークです。これにより、
  1. 情報工学教室共通サーバ群へのスループット向上
  2. 各研究室間のスループット向上
  3. KUINS-II本部北LISへのKUINS-I基幹ループを介さない直接乗り入れ
  4. KUINS-I基幹ループを介さないKUINS外部への接続
等のメリットを享受しています。一方のデメリットとしては、broadcastの 嵐が吹くと被害が広範囲に渡ることが挙げられますが、現在はそのようなこと はほぼないであろうと判断しています。

各研究室は、FN-100及びFN-10-12でのポートを一つずつ使用できます。各研究 室がさらにスイッチを導入するか、サブネットを切るかは各研究室の判断に任 されています(ちなみに美濃研は前者です)。


KUINS-II/ATMとの接続

KUINS-II/ATM は本学が誇る次世代超高速キャンパスネットワークシステムです。 情報工学教室では初物食いを目指して(笑)、 いち早く本システムへの本格的接続への基盤整備を行いました。 中の上半分は物理層がATMで構成されています。

現在、情報工学教室は単独の建物で実に15個(池田研はKUINS-II/ATMと別に 2つ持ってます)ものATMスイッチが転がっているというATM天国です。現実的 には利用形態に制約があるのが難点ですが‥‥帯域の広さが圧倒的なだけに、 はやく技術的制約を解決したいですね。


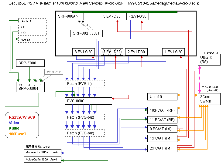
第三講義室


参考

以下は歴史的経緯‥‥‥
<kameda@kuis.kyoto-u.ac.jp>